MC - 20

Information

Expanding mandrels for lathe and grinding are ingenious, versatile tools that grip workpieces internally, offering precise and secure holding for turning operations. They solve common chucking problems, especially for thin-walled or irregularly shaped parts, making them essential for accurate results on any lathe. Collet expanding mandrel as a super-smart internal chuck. Instead of gripping the outside of your workpiece like a traditional three-jaw or four-jaw chuck, a mandrel grips from the inside. It’s designed to expand slightly once inserted into a bore, creating a tight, friction-fit hold on your part. 


Tips: Special requirements customized according to demand, design and others, please email us and tell us detail needs. 

Models available - Dia 11, Dia 14, Dia 20, Dia 26


MRP : /- + (GST % Extra)

Offer price : /- + (GST % Extra)

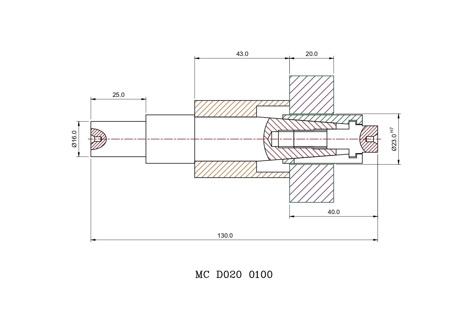
Ordering code : MC D020 0100

Available stock :

MOQ : 0 (Nos.)

Delivery days : 0

Share product - MC - 20

More varients of Collet Mandrel - MC

Technical specifications

Working principle

The basic concept involves a tapered shaft and an expandable sleeve. When you tighten a nut or screw, it pushes the sleeve up or down the taper, forcing it to expand outwards against the inside diameter of your workpiece. Conversely, loosening it allows the sleeve to retract, releasing the grip. This simple mechanical action is what makes them so reliable and effective for precision work.

For your specific requirement contact us at - sales@prsverse.com


Product features

Mechanical Clamping.

Sturdy design

Cost Effective

Simple to operate

Less efforts


Material of construction

Manufactured from alloy steel rolled bars / forgings.

Components are treated for performance and rust prevention.

Components are Treated for wear and Strength.

Raw materials from indigenous source only.

All bought out Items from reputed manufacturers


Applications

CNC Lathe Machines

Lathe Machines

Cylindrical Grinding Machine



Share now!
Connect with us
  • Contact:
  • (+91) 982 205 6806
  • Email:
  • sales@prsverse.com
  • Follow us